The NSI1042-Q1 is an isolated CAN transceiver which fully compatible with the ISO11898-2 standard. The NSI1042-Q1 integrated two channel digital isolators and a high reliability CAN transceiver. The digital isolator is silicon oxide isolation based on Novosense capacity isolation technology. The high integrated solution can help to simplify system design and improve reliability. The NSI1042-Q1 device is safety certified by UL1577 support 5kVrms insulation withstand voltages, while providing high electromagnetic immunity and low emissions. The data rate of the NSI1042-Q1 is up to 5Mbps. The NSI1042-Q1 provides thermal protection and transmit data dominant time out function. AEC-Q100 (Grade 1) option is provided for all devices.
Product Features
Fully compatible with the ISO11898-2 standard
Up to 5000Vrms Insulation voltage
Power supply voltage
VDD1: 2.5V to 5.5V
VDD2: 4.5V to 5.5V
Bus fault protection of -58V to +58V
Transmit data (TXD) dominant time out function
Over current and over temperature protection
Data rate: up to 5Mbps
Ideal Passive, High Impedance Bus and Logic Terminals When Unpowered
High CMTI: 150kV/μs
Low loop delay: <220ns
High system level EMC performance: Enhanced system level ESD, EFT, Surge immunity
Operation temperature: -40°C ~125°C
AEC-Q100 Qualified for Grade 1
RoHS-compliant packages: SOW8, SOW16
Safety Certificate
UL recognition:
SOP8(300mil): 5000Vrms for 1 minute per UL1577
SOP16(300mil): 5700Vrms for 1 minute per UL1577
CQC certification per GB4943.1
CSA component notice 5A
DIN EN IEC 60747-17 (VDE 0884-17)
Application
Automotive application
Industrial automation system
Isolated CAN bus
Telecom
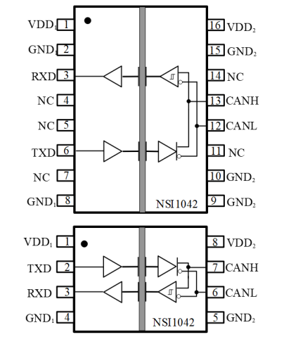
Functional Block Diagram

All Resources

For more product information, please contact us.