NSI1042 is an isolated CAN transceiver, fully compatible with ISO11898-2 standard. NSI1042 integrates a two-channel digital isolator and a high-performance CAN transceiver. The digital isolator uses silicon oxide isolation based on NOVOSENSE capacitance isolation technology. Highly integrated solutions simplify system design and improve reliability. NSI1042 is UL1577-qualifed for safety, and support 5kVrms dielectric strength, while providing high electromagnetic immunity and low radiation. NSI1042 supports CAN FD and Data rate of up to 5Mbps, and can support at least 110 CAN nodes. NSI1042 is designed with thermal protection and transmission data dominant timeout protection.
Product Features
• Fully compatible with ISO11898-2
• Isolated withstand voltage of 5000Vrms
• Power supply voltage:
oVDD1: 2.5V to 5.5V
oVDD2: 4.5V to 5.5V
• Bus protection voltage -70V to +70V
• Over current and over heat protection
• Communication rate up to 5Mbps
• High CMTI: 150kV/μs
• Low loop delay: <220ns
• Enhanced system level ESD, EFT, surge immunity
• Standby mode: NSI1052
• Operation temperature: -40℃~125℃
• RoHS compliant package: SOW8, SOW16
Safety Certificate
• UL1577 qualified: 5kVrms for 1 min.
• CQC qualified: Conform to GB4943.1 -2011
• CSA qualified: Conform to IEC60950-1
• VDE qualified: DIN V VDE V 0884-10:2006-12
Application
• Industrial automation system
• Isolated CAN bus
• Communication
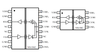
Functional Block Diagram

All Resources

For more product information, please contact us.