The NSR2260x-Q1 series are adjustable output non-synchronous controllers for switching regulators with low-side N-channel MOSFET. They adopt peak current mode control with internal slope compensation and are suitable for topologies such as boost, flyback, and SEPIC.
The NSR2260x-Q1 series integrate features including internal soft-start, under-voltage lockout, cycle-by-cycle current limiting, short-circuit protection, and thermal shutdown, with optional hiccup mode overload protection(-2/-4/-6). They feature low quiescent and shutdown current, and selectable spread spectrum(-3/-4/-5/-6) for optimized EMC performance. DFN12 and HTSSOP14 packages are available to meet different design requirements.
Product Features
• AEC-Q100 Grade 1 qualified
• Wide 4V to 50V input range
• Internal driver with 1.5A peak current capability
• Accurate 1V ±1% feedback reference
• Low shutdown current and low quiescent current
• Peak current mode with internal slope compensation
• Adjustable soft-start and selectable spread spectrum
• Integrated protection: cycle-by-cycle current limit, short-circuit, over-voltage, over-temperature
• Optional hiccup mode overload protection(-2/-4/-6)
• Selectable frequency spread spectrum(-3/-4/-5/-6)
• Wettable flank 3.0 mm × 2.0 mm DFN12 package option
• Lead-type 5.0 mm x 4.4 mm HTSSOP14 package option
Application
• Automotive On-board Charger
• Automotive DC-DC Converter
• Automotive Traction Inverter
• Automotive Thermal Management (PTC, E-compressor)
• Automotive Start-stop Applications
• Automotive ADAS Driver Information
• Boost for Audio Amplifiers
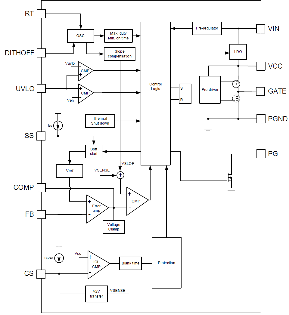
Functional Block Diagram

All Resources

For more product information, please contact us.