The NCA1051 is a high-speed CAN transceiver that provides an interface between a Controller Area Network (CAN) protocol controller and the physical two-wire CAN bus. The NCA1051 implements the CAN physical layer as defined in ISO 11898-2:2016 and SAE J2284-1 to SAE J2284-5. This implementation enables reliable communication in the CAN FD fast phase at data rates up to 5 Mbit/s. The NCA1051 provides thermal protection and transmit data dominant time out function.
Product Features
Fully compatible with the ISO11898-2 standard
Ideal passive behavior to the CAN bus when the supply voltage is off
Voltage range supports 3V and 5V MCU
Bus fault protection of -70V to +70V
Transmit data (TXD) dominant time out function
Over current and over temperature protection
Data rate: up to 5Mbps
Low loop delay: <250ns
Operation temperature: -40℃ to +125℃
RoHS compliant
Application
CAN bus standards such as CANopen, DeviceNet, NMEA2000, ARNIC825, ISO11783 and CANaerospace
Highly loaded CAN networks down to 10 kbps networks using TXD DTO
Industrial automation, control, sensors, and drive systems
Building, security, and climate control automation
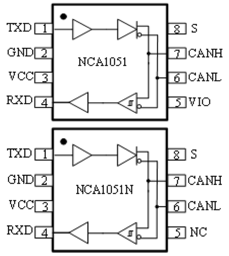
Functional Block Diagram

All Resources

For more product information, please contact us.