我们非常重视您的个人隐私,当您访问我们的网站时,请同意使用的所有cookie。有关个人数据处理的更多信息可访问《隐私政策》
联系我们
样片申请
CN
传感器
隔离器件
接口
通用信号链芯片
栅极驱动
电机驱动
LED驱动
供电电源
AC-DC电源转换
功率路径保护
音频功放
功率集成
汽车/工业专用芯片
微控制器(MCU)
交叉参考搜索
磁性传感器
集成式电流传感器
线性电流传感器
霍尔角度编码器
磁阻角度编码器
速度传感器
线性位置传感器
霍尔开关/锁存器
磁阻开关/锁存器
电流传感器磁调理芯片
位置传感器专用芯片
压力传感器
MEMS压力传感器
传感器信号调理专用芯片
压力传感器信号调理芯片
磁通门传感器调理芯片
MEMS麦克风信号调理芯片
工业压力变送器信号调理芯片
传感器信号调理专用芯片评估套件
温湿度传感器
温度传感器
通用数字隔离器
I²C隔离器
超宽体数字隔离器
隔离接口
隔离RS485收发器
隔离CAN收发器
隔离电源
集成隔离电源的隔离RS485收发器
集成隔离电源的隔离CAN收发器
集成隔离电源的数字隔离器
变压器驱动器
隔离采样
隔离ADC
隔离电流放大器
隔离电压放大器
隔离误差放大器
隔离比较器
集成隔离电源的隔离采样
隔离驱动
隔离半桥驱动
隔离单管驱动
智能隔离驱动
半桥驱动板
固态继电器
光耦仿真器
通用接口
CAN/LIN/Mini SBC
I2C & I3C
其他工业通用接口
逻辑器件
电压基准
串联电压基准
数据转换器
模数转换器ADC
放大器
高压通用运算放大器
低压通用运算放大器
功率运算放大器
电流传感放大器
非隔离驱动
>600V半桥驱动
低边驱动
直流有刷电机驱动
直流有刷电机集成驱动
直流有刷电机预驱
继电器与螺线管驱动
多通道低边驱动
步进电机驱动
双极性步进电机驱动
线性LED驱动
线性LED驱动(硬线接口)
线性LED驱动(数字接口)
MCU+氛围灯
LDO
中高压>10V通用LDO
DC-DC开关变换器
Buck降压
PWM控制器
定频PWM控制器
智能高低边开关
智能低边开关
智能高边开关
ClassD音频功放
GaN功率芯片与驱动
智能GaN
GaN驱动芯片
碳化硅
碳化硅二极管
碳化硅MOSFET
硅MOS
锂电保护CSP MOSFET
汽车专用“MCU+”芯片
MCU+电机驱动
嵌入式电机驱动芯片功能验证评估板
工业专用芯片
工业变送器专用芯片
实时控制MCU/DSP
汽车电子
新能源汽车能源和动力总成系统
汽车热管理
车身电子与照明
车载娱乐与仪表
可再生雷竞技app官网地址
光储充系统
移动储能
充电桩
数字电源
适配器电源
LOL雷竞技
仪器仪表
配电自动化
PLC
步进电机驱动器
工业变频器
伺服驱动器
电池化成分容
消费电子
家电
智能门锁
送餐机器人
样品申请
质量与认证
线上购买
资料下载
技术文章
在线课堂
隔离认证
公司简介
新闻活动
媒体报道
投资者关系
纳芯世界
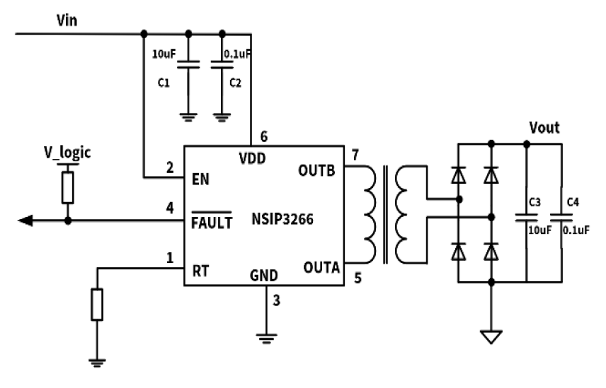
NSIP3266 H桥变压器驱动器为设计隔离式电源提供了一种简单的解决方案。该器件驱动变压器初级线圈,电压范围为 6.5V 至 26V。变压器的次级线圈与初级线圈之比决定了输出电压,几乎可以选择任何隔离输出电压。NSIP3266 的开关频率可通过外部电阻器从 100kHz 调整到 1MHz,这为优化效率或外部元件尺寸提供了灵活性。当器件检测到过热或过流情况时,会断言输出。此外,该器件还具有低功耗模式,可在不使用驱动器时将总电源电流降至 0.7mA(典型值)。NSIP3266 采用 MSOP8 封装,工作温度范围为 -40°C 至 125°C。
产品特性
• 宽工作电压范围:6.5至26V
• 输入12V时,最大输出功率为5W
• EN引脚可承受(-10V)负向电压
• 故障检测与指示功能
• 可调频率范围:100 kHz至1MHz
• 过温保护
• 过流保护
• 低静态电流
• 欠压锁定保护
• 工作温度范围:-40°C至125°C
应用场景
• 电动汽车充电站、直流快速充电站
• GaN、IGBT 和 SiC 栅极变压器驱动器偏置电源
• UPS 和太阳能逆变器
• 工业电机、电梯和自动扶梯
功能框图
如您需要咨询产品更多信息,请点击“联系我们”,我们将尽快回复您!
您的问卷已提交,请您等待我们的邮件反馈,感谢您的耐心!