我们非常重视您的个人隐私,当您访问我们的网站时,请同意使用的所有cookie。有关个人数据处理的更多信息可访问《隐私政策》
产品特性
• 高转换率:30 V/μs(典型值)
• 单位增益带宽:6 MHz
• 低偏移电压:0.5 mV(典型值)
• 低偏移电压漂移:1 μV/° C(典型值)
• 低功耗:600 μA/通道(典型值)
• 高共模抑制比(CMRR):109 dB
• 宽共模和差分电压范围
• 共模输入电压范围包括 V+
• 低输入偏置电流和偏移电流
• 低噪声:en = 15 nV/ √ Hz(典型值)@ 10 kHz
• 输出短路保护
• 低总谐波失真:-105 dB(典型值)
• 脉冲友好/ 比较器输入
• 放大器可用于开环或作为比较器
• 宽电源电压范围:±2.25 V 至 ±18 V,4.5 V 至 36 V
• 符合 RoHS 和 REACH 标准
应用场景
• 通用放大
• 功率控制和监测
• 有源滤波器
• 工业/过程控制
• 数据采集
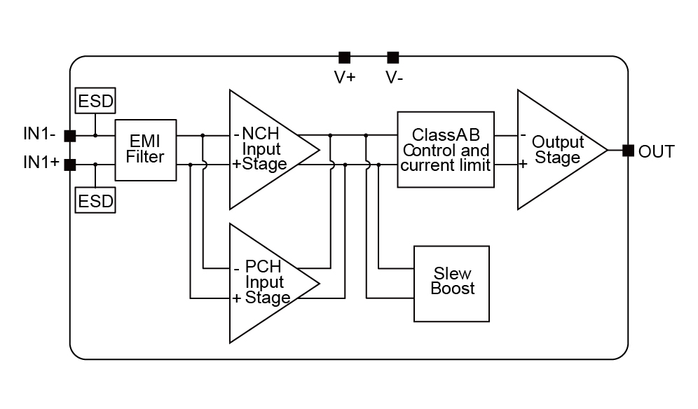
功能框图


如您需要咨询产品更多信息,请点击“联系我们”,我们将尽快回复您!