NSI6801 is an isolated gate driver with single-channel optocoupler-compatible input, which can be used to drive IGBT, SiC and MOSFET. It can provide peak source/sink current of 5A/5A. It supports the minimum common mode transient immunity (CMTI) of 150kV/μs, which ensures the robustness of the system. The maximum power supply voltage of the driver is 32V. It has performance advantages over optocoupler gate drivers, including better reliability and aging performance, higher operation temperature, shorter propagation delay and less pulse width distortion. Therefore, NSI6801 is more suitable than photoelectric isolation driver in switching power supply systems, , photovoltaic inverters and motor drive systems which requires high reliability, high power density and high efficiency.
Product Features
• P2P compatible with optocoupler drivers, but upgraded performance
• Driver side power supply voltage: up to 32V, UVLO is available
• Peak source/sink current: 5A/5A
• High CMTI: 150kV / μs
• Typical propagation delay: 75ns
• Maximum pulse width distortion: 30ns
• Operation ambient temperature: -40℃~125℃
• RoHS compliant package:
• SOW6
• DUB8
Safety Certificate
• UL1577 certification:
• SOW6: 5.7kVRMS for 1min.
• DUB8: 5kVRMS for 1min.
• DIN VDE V 0884-11:2017-01
• CSA component notice 5A
• CQC certification per GB4943.1-2011
Application
• PV inverter
• Energy storage
• Servo motor
• Frequency converter
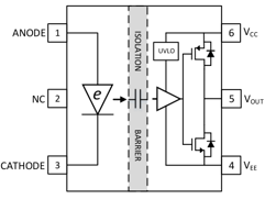
Functional Block Diagram



For more product information, please contact us.