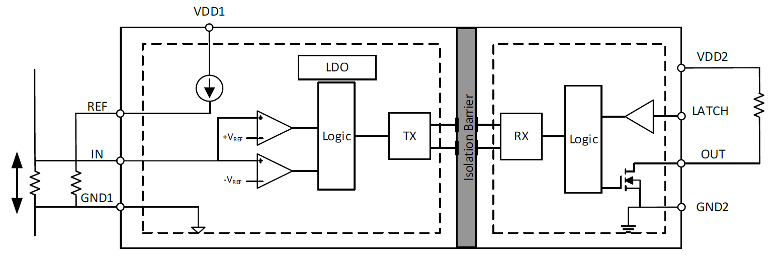
NSI22C12-Q1 is a high-speed isolated comparator with output separated from input based on the NOVOSENSE capacitive isolation technology Adaptive OOK®. The NSI22C12-Q1 is an isolated window comparator with open-drain output and latch enable function. The short response time of NSI22C12-Q1 makes it highly suitable for over-current protection application. The high common-mode transient immunity ensures that the device is able to provide accurate protection even in the presence of high-power switching such as in motor control applications. NSI22C12-Q1 have an adjustable input reference threshold of 20mV~ 320mV and the window threshold is from ±20mV to ±320mV. The reference can be set by an external voltage source or the 100μA internal current source flowing through an external resistor. The fail-safe function (missing VDD1 detection) simplifies system-level design and diagnostics. The NSI22C12-Q1 supports reinforced isolation with SOW8 wide body package.
Product Features
• Up to 5000VRMS Insulation Voltage
• 3.1V to 27V wide input side power supply
• Adjustable input reference threshold: ±20mV to ±320mV
• Analog input voltage range: ±0.4V
• Internal threshold reference:100μA ±2% error (Max)
• Accurate trigger threshold: ±1% error (Max)
• Fast propagation time: 300ns (Max)
• High CMTI: 150kV/μs (Typ)
• System-Level Diagnostic Features: VDD1 monitoring
• Operation Temperature: -40°C~125°C
• AEC-Q100 qualified for automotive applications: Grade 1
• RoHS-Compliant Packages: SOW8 wide body (SOP8 300mil)
Safety Certificate
• UL recognition: SOW8: 5000Vrms for 1 minute per UL1577
• CQC certification per GB4943.1
• CSA component notice 5A
• DIN EN IEC 60747-17 (VDE 0884-17)
Application
• On Board Chargers
• DC/DC Converters
• Charging Piles
• Traction Inverters
Functional Block Diagram


For more product information, please contact us.