NOVOSENSE high-voltage half-bridge driver IC NSD1624x-Q1 is designed with +4/-6A drive current and can be used to drive various power devices such as MOSFET/IGBT.
The isolation technology scheme is applied to high-voltage half-bridge driver by NOVOSENSE innovatively, so that the high-voltage output side can withstand up to 1200V DC voltage, while SW can meet the requirements of high dv/dt and can withstand negative spike. It can be applied to high-voltage half-bridges, full-bridges and LLC power supply topologies.
NSD1624x-Q1 input is compatible with TTL/CMOS. Both the high-voltage side and the low-voltage side are designed with independent power supply undervoltage protections (UVLO), which operate in the voltage range of 10~20V.
Product Features
• Voltage range on high voltage side: +/-1200V (SOP14 package); +/-700V (SOP8 package)
• Less than 35ns propagation delay, less than 7ns delay matching
• +4/-6A drive current capability
• High/low side independent UVLO protection
• Independent Logic Ground Pin (SOP14 package)
• Anti-interference of dV/dt on high voltage side up to 150kV/us
• Operating temperature range: -40°C~125°C
• AEC-Q100 qualified
Application
• Half-bridge, full-bridge, and LLC power supply topology
• Power supply for industrial, communication and server applications which requires high efficiency and high density
• Solar energy, motor drivers and new energy fields
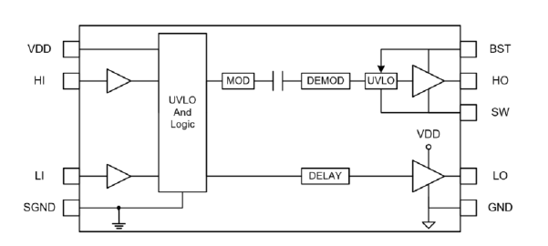
Functional Block Diagram


For more product information, please contact us.