我们非常重视您的个人隐私,当您访问我们的网站时,请同意使用的所有cookie。有关个人数据处理的更多信息可访问《隐私政策》
产品特性
• 绝缘电压高达5000Vrms
• 具有集成隔离式DC-DC电源
• I/O电压范围支持1.8V~5V MCU
• 电源电压:
oVDD: 4.5V至5.5V
oVDDL: 1.8V至5.5V
• 过电流和过热保护
• 高CMTI:150kV/us
• 数据速率:16Mbps
• 支持256个收发器
• 较高的系统级EMC性能:
o总线引脚符合IEC61000-4-2±8kV ESD
• 隔离栅寿命:>60年
• 工作温度:-40℃~105℃
• 符合RoHS的封装:SOW20
安全认证
• UL1577认证: 1分钟 5kVrms
• CQC认证:符合GB4943.1-2011
• CSA认证:组件符合5A
• VDE认证:DIN VDE V 0884-11:2017-1
应用场景
• LOL雷竞技 系统
• 隔离RS-485通信系统
• 智能电表和水表
• 安防和监控系统
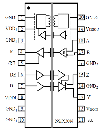
功能框图

相关资源

如您需要咨询产品更多信息,请点击“联系我们”,我们将尽快回复您!