High-precision Single-BUS Digital Temperature Sensor
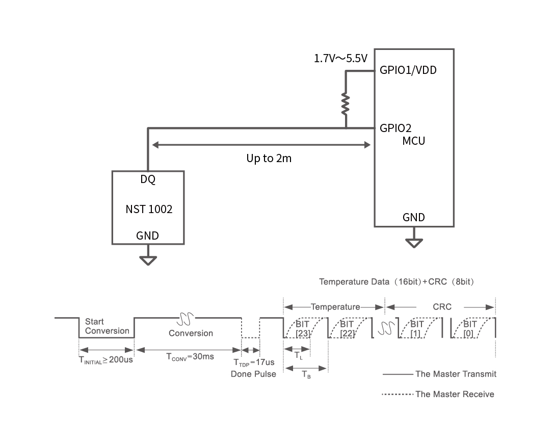
NST1002 is a high-precision dual-pin single bus-type temperature sensor. NST1002 has a single bus protocol output interface and high precision in a wide temperature range. It can be directly connected with MCU to ensure the measurement accuracy and reduce the overhead. The NST1002 device supports a maximum accuracy of ±0.5°C over temperatures ranging from -50°C to 150°C, while providing extremely high resolution (0.0078125°C) without system calibration or hardware/software compensation. The digital interface of the single bus protocol is designed to connect directly to GPIO, simplifying hardware design. The simple dual-pin architecture enables the NST1002 device to be easily converted into a two-wire temperature probe.
Product Features
• Operating temperature range: ‒50°C to 150°C
• High accuracy over ‒50°C to 150°C
DFN-2L
0°C~85°C: ±0.1°C (typical) ±0.25°C(max.)
-40°C ~125°C: ±0.5°C (max.)
-40°C ~150°C: ±0.5°C (max.)@3.3V
TO-92S-2L
0°C~85°C: ±0.2°C (typical)
-20°C ~85°C: ±0.35°C (max.)
-40°C ~125°C: ±0.7°C (max.)
-40°C ~125°C: ±0.7°C (max.) @3.3V
• High resolution: 0.0078125°C (1 LSB)
• Quick temperature response: silicone oil τ63%0.27S (DFN2L)
• Single temperature conversion time: 32ms
• Ultra-low power consumption: 30µA operating current, zero standby power consumption
• Supply voltage range: 1.7V to 5.5V
• Single bus protocol digital output, without AD conversion port
• Support dual pin simplified temperature measurement solution
• DFN2L ultra small packaging, with same size as 0603 resistance
Application
• Ammeter
• Gas meter temperature measurement
• Intelligent closestool
• Home appliances
• Glucometer
• Digital temperature probe
• Intelligent wearables
• Industrial Internet of Things
• Battery temperature detection
Functional Block Diagram


For more product information, please contact us.